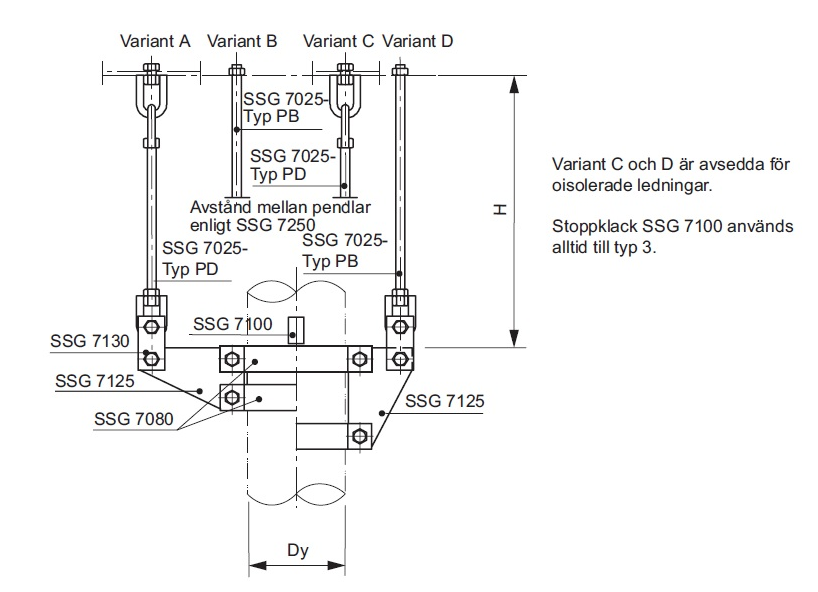
Pipe Hanger SSG Type 3
Designation: SSG 7005 – Type and variant – Dk – H – Stop Lug
SSG 7100 – Type – Material – Quantity
Example: SSG 7005 – Type 3A Dk 115 H=750 SSG 7100 A 1.4404 4 pcs
Note: SSG 7100 must be welded to the pipe—quality is important
If H is not specified, 2 pcs of two-meter threaded rods are delivered
| ID (Inner Diameter) | Type 3 A/C – Available on request | Type 3 B/D – Available on request |
|---|---|---|
| 43 | x | x |
| 45 | x | x |
| 49 | x | x |
| 52 | x | x |
| 56 | x | x |
| 61 | x | x |
| 64 | x | x |
| 71 | x | x |
| 77 | x | x |
| 84 | x | x |
| 90 | x | x |
| 104 | x | x |
| 110 | x | x |
| 115 | x | x |
| 120 | x | x |
| 133 | x | x |
| 141 | x | x |
| 157 | x | x |
| 162 | x | x |
| 170 | x | x |
| 196 | x | x |
| 207 | x | x |
| 222 | x | x |
| 247 | x | x |
| 257 | x | x |
| 276 | x | x |
| 308 | x | x |
| 327 | x | x |
| 359 | x | x |
| 378 | x | x |
| 410 | x | x |
| 419 | x | x |
| 431 | x | x |
| 461 | x | x |
| 513 | x | x |
| 562 | x | x |
| 610 | x | x |
| 711 | x | x |
| 813 | x | x |
| 914 | x | x |
| 1,016 | x | x |
| 1,118 | x | x |
| 1,219 | x | x |