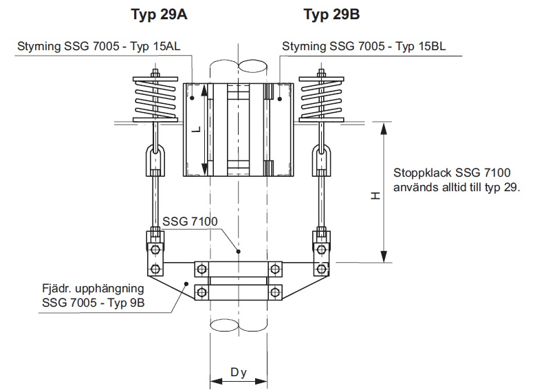
Spring-Loaded Guide SSG Type 29
Designation: SSG 7005 – Type and variant – Dk – H – Spring Cage No – Stop Lug
SSG 7100 – Type – Material – Quantity
Example: SSG 7005 – Type 29B Dk 610 H=950 NR 30 SSG 7100B 1.4404 2 pcs
Note: If H is not specified, 2 pcs of two-meter threaded rods are delivered
Spring cage is calculated using table SSG7050
SSG 7100 must be welded to the pipe—quality is important
29A with guide 15AL for uninsulated pipes or protective insulation max 80 mm
29B with guide 15BL for insulated pipes
Spring size must always be specified when ordering.
| ID (Inner Diameter) | Type 29A – Available on request | Type 29B – Available on request |
|---|---|---|
| 43 | x | x |
| 45 | x | x |
| 49 | x | x |
| 52 | x | x |
| 56 | x | x |
| 61 | x | x |
| 64 | x | x |
| 71 | x | x |
| 77 | x | x |
| 84 | x | x |
| 90 | x | x |
| 104 | x | x |
| 110 | x | x |
| 115 | x | x |
| 120 | x | x |
| 133 | x | x |
| 141 | x | x |
| 157 | x | x |
| 162 | x | x |
| 170 | x | x |
| 196 | x | x |
| 207 | x | x |
| 222 | x | x |
| 247 | x | x |
| 257 | x | x |
| 276 | x | x |
| 308 | x | x |
| 327 | x | x |
| 359 | x | x |
| 378 | x | x |
| 410 | x | x |
| 419 | x | x |
| 431 | x | x |
| 461 | x | x |
| 513 | x | x |
| 562 | x | x |
| 610 | x | x |
| 711 | x | x |
| 813 | x | x |
| 914 | x | x |
| 1,016 | x | x |
| 1,118 | x | x |
| 1,219 | x | x |